• Home
  • Download PDF
  • Order CD-ROM
  • Order in Print
Figure 54. PRIMARY FUEL FILTER - Continued
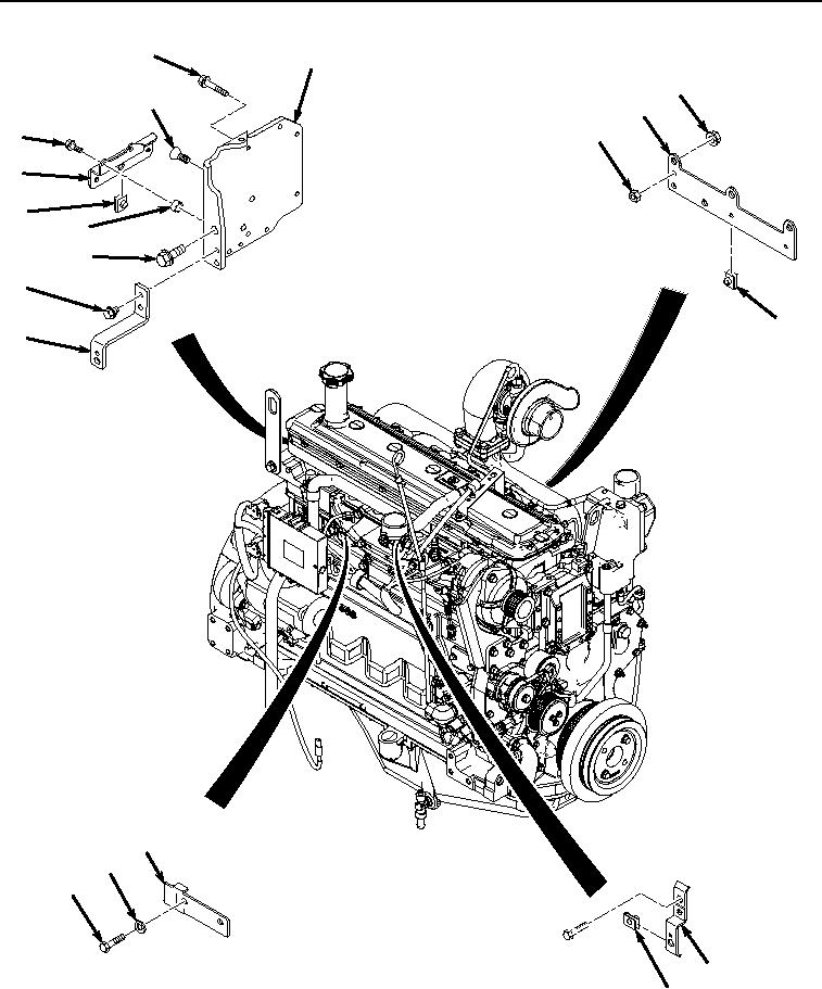
Figure 55. WIRING HARNESS ACCESSORIES - Continued

Repair Parts For Hydraulic Excavator Type 1 With Hydraulic Thumb And Quick Latch Page Navigation
  106    107    108    109    110  111  112    113    114    115    116  
img
.
TM 5-3805-294-24P
0002
5
6
7
4
8
9
2
1
10
3
17
16
10
15
12
13
14
11
10
HYEX01634
Figure 55. WIRING HARNESS ACCESSORIES
0002-114


Privacy Statement
Press Release
Contact

© Copyright Integrated Publishing, Inc.. All Rights Reserved.