• Home
  • Download PDF
  • Order CD-ROM
  • Order in Print
Figure 93. MAIN FRAME - Continued
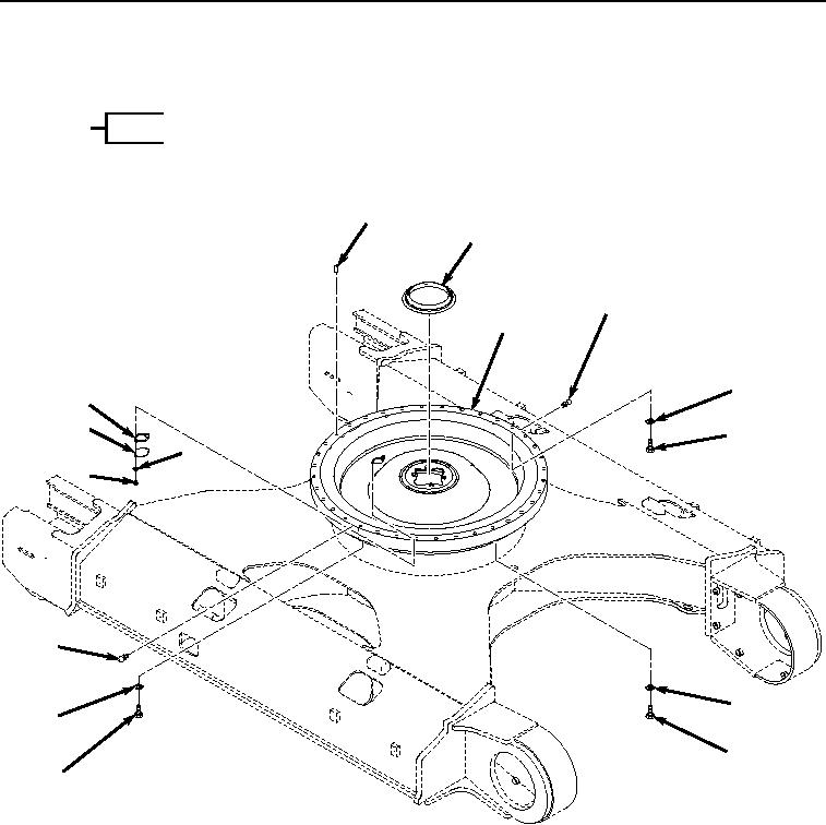
Figure 94. SWING BEARING PARTS - Continued

Repair Parts For Hydraulic Excavator Type 1 With Hydraulic Thumb And Quick Latch Page Navigation
  194    195    196    197    198  199  200    201    202    203    204  
img
.
TM 5-3805-294-24P
0002
7
8
5
6
8
7
9
3
2
10
4
1
8
9
9
10
10
HYEX00596
Figure 94. SWING BEARING PARTS
0002-210


Privacy Statement
Press Release
Contact

© Copyright Integrated Publishing, Inc.. All Rights Reserved.