• Home
  • Download PDF
  • Order CD-ROM
  • Order in Print
Figure 122. AIR CONDITIONER/HEATER COMPONENTS - Continued
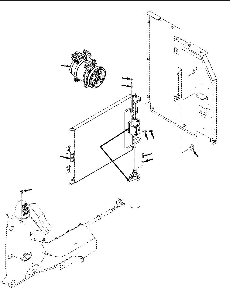
Figure 123. AIR CONDITIONER COMPRESSOR, CONDENSOR AND RECEIVER-DRYER - Continued

Repair Parts For Hydraulic Excavator Type 1 With Hydraulic Thumb And Quick Latch Page Navigation
  257    258    259    260    261  262  263    264    265    266    267  
img
.
TM 5-3805-294-24P
0002
1
2
3
34
6
2
7
3
5
8
HYEX01150
Figure 123. AIR CONDITIONER COMPRESSOR, CONDENSOR AND RECEIVER-DRYER
0002-278


Privacy Statement
Press Release
Contact

© Copyright Integrated Publishing, Inc.. All Rights Reserved.