• Home
  • Download PDF
  • Order CD-ROM
  • Order in Print
Figure 148. CRUSH-ALL (Sheet 2 of 8)
Figure 148. CRUSH-ALL (Sheet 4 of 8)

Repair Parts For Hydraulic Excavator Type 1 With Hydraulic Thumb And Quick Latch Page Navigation
  317    318    319    320    321  322  323    324    325    326    327  
img
TM 5-3805-294-24P
0002
59
60
64
64
65
33
66
33
62
63
76
61
77
59
62
60
58
57
63
68
74
67
70
73
69
71
72
68
HYEX02975
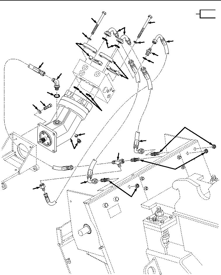
Figure 148. CRUSH-ALL (Sheet 3 of 8)
0002-341


Privacy Statement
Press Release
Contact

© Copyright Integrated Publishing, Inc.. All Rights Reserved.