• Home
  • Download PDF
  • Order CD-ROM
  • Order in Print
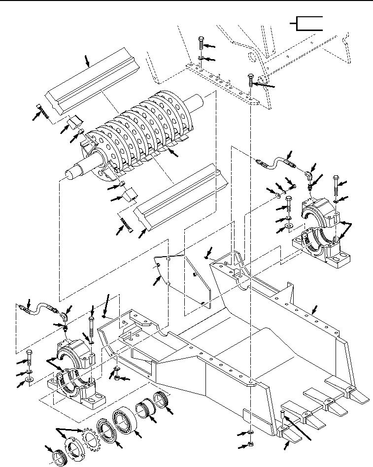
Figure 148. CRUSH-ALL (Sheet 7 of 8)
Figure 148. CRUSH-ALL - Continued

Repair Parts For Hydraulic Excavator Type 1 With Hydraulic Thumb And Quick Latch Page Navigation
  322    323    324    325    326  327  328    329    330    331    332  
img
TM 5-3805-294-24P
0002
140
141 THROUGH 146
137
136
98
137
135
154
139
155
109
138
110
45
141
33
32
155
142
154
147
148
140
149
135
136
39
156
39
139
150
109 141
110
142
140
147
148
153
148
149
146
145
145
98
144
146
151
97
143
152
HYEX02972
Figure 148. CRUSH-ALL (Sheet 8 of 8)
0002-346


Privacy Statement
Press Release
Contact

© Copyright Integrated Publishing, Inc.. All Rights Reserved.