• Home
  • Download PDF
  • Order CD-ROM
  • Order in Print
Figure 61. RADIATOR ASSEMBLY SIDE BRACE AND TOP COVERS - Continued
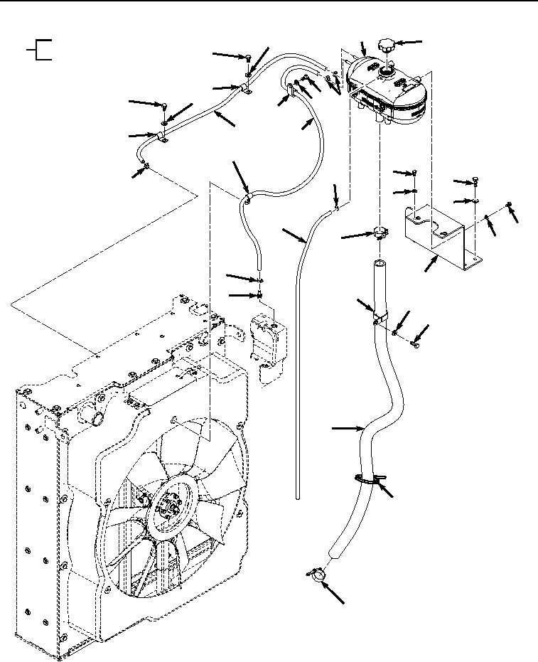
Figure 62. SURGE TANK - Continued

Repair Parts For Hydraulic Excavator Type 1 With Hydraulic Thumb And Quick Latch Page Navigation
  122    123    124    125    126  127  128    129    130    131    132  
img
.
TM 5-3805-294-24P
0002
7
8
4
7
8
3
2
3
4
3
1
4
2
5
6
2
2
12
9
14
1
13
4
10
12
11
13
1
15
16
19
4
14
18
17
11
HYEX00904
Figure 62. SURGE TANK
0002-132


Privacy Statement
Press Release
Contact

© Copyright Integrated Publishing, Inc.. All Rights Reserved.