• Home
  • Download PDF
  • Order CD-ROM
  • Order in Print
Figure 213. BOOM LOAD HOLDING VALVE AND HOSES - Continued
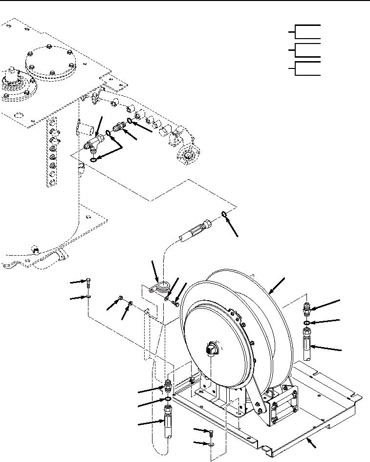
Figure 214. HOSE REEL AND LINES INSTALLATION - Continued

Repair Parts For Hydraulic Excavator Type 1 With Hydraulic Thumb And Quick Latch Page Navigation
  476    477    478    479    480  481  482    483    484    485    486  
img
.
TM 5-3805-294-24P
0002
1
2
3
4
6
7
1
4
3
2
2
14
11
5
15
17
6
16
13
7
11
8
6
7
12
10
11
9
HYEX01912
Figure 214. HOSE REEL AND LINES INSTALLATION
0002-518


Privacy Statement
Press Release
Contact

© Copyright Integrated Publishing, Inc.. All Rights Reserved.