• Home
  • Download PDF
  • Order CD-ROM
  • Order in Print
Figure 215. HOSE REEL ASSEMBLY - Continued
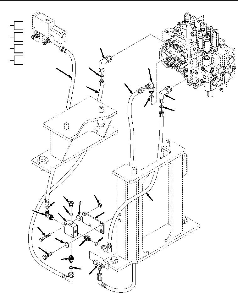
Figure 216. SHUTTLE VALVE LINES AND FITTINGS - Continued

Repair Parts For Hydraulic Excavator Type 1 With Hydraulic Thumb And Quick Latch Page Navigation
  481    482    483    484    485  486  487    488    489    490    491  
img
.
TM 5-3805-294-24P
0002
3
4
7
8
3
14
15
17
18
17
4
1
2
2
3
18
4
16
14
12
4
5
15
3
13
6
11
8
10
9
7
7
8
19
HYEX02025
Figure 216. SHUTTLE VALVE LINES AND FITTINGS
0002-524


Privacy Statement
Press Release
Contact

© Copyright Integrated Publishing, Inc.. All Rights Reserved.