• Home
  • Download PDF
  • Order CD-ROM
  • Order in Print
Figure 2. Valve Removal.
INSTALLATION - Continued

Maintenance Manual For Hydraulic Excavator Type 1 With Hydraulic Thumb And Quick Latch -4 Page Navigation
  917    918    919    920    921  922  923    924    925    926    927  
img
.
TM 5-3805-294-23-4
0621
REMOVAL - Continued
20.
Remove O-ring (Figure 2, Item 24) from fitting (Figure 2, Item 8). Discard O-ring.
END OF TASK
INSTALLATION
WARNING
LUBRICATING OIL
1.
Lightly lubricate O-ring (Figure 3, Item 24) with clean oil.
11
16
15 13
12
17
9
14
10
18
22
13
12
4
20
19
12
21
2
23
6
24
8
HYEX03373
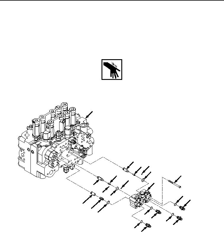
Figure 3.
Valve Installation.
2.
Install O-ring (Figure 3, Item 24) to fitting (Figure 3, Item 8).
3.
Install fitting (Figure 3, Item 8) and O-ring (Figure 3, Item 24) to housing (Figure 3, Item 10).
4.
Lightly lubricate O-ring (Figure 3, Item 23) with clean oil.
5.
Install O-ring (Figure 3, Item 23) to fitting (Figure 3, Item 6).
6.
Install fitting (Figure 3, Item 6) and O-ring (Figure 3, Item 23) to housing (Figure 3, Item 10).
7.
Lightly lubricate O-ring (Figure 3, Item 22) with clean oil.
0621-4


Privacy Statement
Press Release
Contact

© Copyright Integrated Publishing, Inc.. All Rights Reserved.