• Home
  • Download PDF
  • Order CD-ROM
  • Order in Print
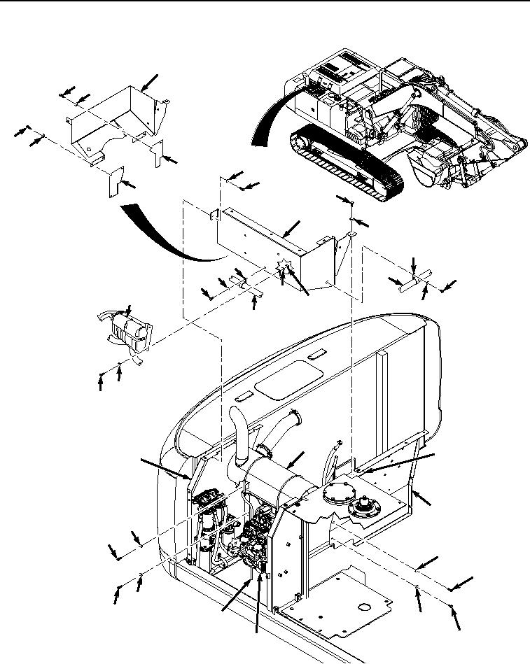
MUFFLER COVER REPLACEMENT
REMOVAL

Maintenance Manual For Hydraulic Excavator Type 1 With Hydraulic Thumb And Quick Latch -4 Page Navigation
  800    801    802    803    804  805  806    807    808    809    810  
img
.
TM 5-3805-294-23-4
0600
REMOVAL - Continued
5
29
30
26
27
31
21
20
28
14
5
15
24
8
7
25
22
6
2
1
4
23
9
2
3
33
16
19
13
18
17
12
11
18
17
32
12
11
10
HYEX00482
Figure 1. Muffler Cover Removal.
0600-2


Privacy Statement
Press Release
Contact

© Copyright Integrated Publishing, Inc.. All Rights Reserved.