• Home
  • Download PDF
  • Order CD-ROM
  • Order in Print
CAB FLOOR MAT REPLACEMENT
CAB HANDRAILS REPLACEMENT

Maintenance Manual For Hydraulic Excavator Type 1 With Hydraulic Thumb And Quick Latch -4 Page Navigation
  497    498    499    500    501  502  503    504    505    506    507  
img
.
TM 5-3805-294-23-4
0558
INSTALLATION
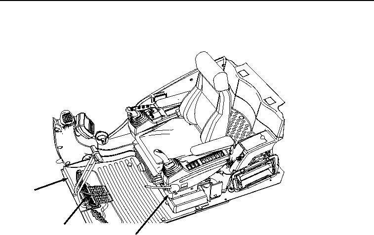
1.
Fold floor mat (Figure 2, Item 1) and place onto cab floor.
1
3
2
HYEX00225
Figure 2.
Cab Floor Mat Installation.
2.
Unfold floor mat (Figure 2, Item 1) and work edges around operator's seat (Figure 2, Item 2) and foot pedals
(Figure 2, Item 3).
END OF TASK
FOLLOW-ON MAINTENANCE
Perform the Standard Follow-On Maintenance Instructions. (Volume 3, WP 0384)
END OF TASK
END OF WORK PACKAGE
0558-2


Privacy Statement
Press Release
Contact

© Copyright Integrated Publishing, Inc.. All Rights Reserved.