• Home
  • Download PDF
  • Order CD-ROM
  • Order in Print
ENGINE CONTROL UNIT (ECU) REPLACEMENT
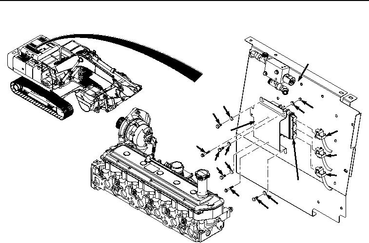
Figure 2. Engine Control Unit Installation.

Maintenance Manual For Hydraulic Excavator Type 1 With Hydraulic Thumb And Quick Latch -4 Page Navigation
  147    148    149    150    151  152  153    154    155    156    157  
img
.
TM 5-3805-294-23-4
0508
REMOVAL - Continued
8
6
5
9
10
1
7
11
3
6
5
4
2
11
6
5
HYEX00302
Figure 1.
Engine Control Unit Removal.
2.
Disconnect wiring harness connector J02 (Figure 1, Item 3) from ECU (Figure 1, Item 2).
3.
Disconnect wiring harness connector J03 (Figure 1, Item 4) from ECU (Figure 1, Item 2).
4.
Remove four bolts (Figure 1, Item 5), washers (Figure 1, Item 6), and bracket (Figure 1, Item 7) from cover
(Figure 1, Item 8).
5.
Remove two nuts (Figure 1, Item 9), washers (Figure 1, Item 10), bolts (Figure 1, Item 11), and ECU (Figure
1, Item 2) from bracket (Figure 1, Item 7).
END OF TASK
INSTALLATION
1.
Install ECU (Figure 2, Item 2) to bracket (Figure 2, Item 7) with two bolts (Figure 2, Item 11), washers (Figure
2, Item 10), and nuts (Figure 2, Item 9).
0508-2


Privacy Statement
Press Release
Contact

© Copyright Integrated Publishing, Inc.. All Rights Reserved.