• Home
  • Download PDF
  • Order CD-ROM
  • Order in Print
Figure 5. Hose Installation to Machine
Figure 7. Cover and Clamp Installation

Maintenance Manual For Hydraulic Excavator Type 1 With Hydraulic Thumb And Quick Latch -4 Page Navigation
  369    370    371    372    373  374  375    376    377    378    379  
img
.
TM 5-3805-294-23-4
0536
INSTALLATION - Continued
22
23
13
3
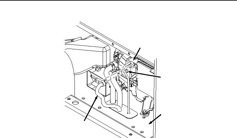
HYEX02044
Figure 6.
Hose to Evaporator Installation .
3.
Install O-ring (Figure 6, Item 23) to hose (Figure 6, Item 3).
4.
Install hose (Figure 6, Item 3) and O-ring (Figure 6, Item 23) to evaporator (Figure 6, Item 22).
5.
Install bolt (Figure 7, Item 20) and washer (Figure 7, Item 21) to hose (Figure 7, Item 3) and evaporator (Figure
7, Item 22).
0536-7


Privacy Statement
Press Release
Contact

© Copyright Integrated Publishing, Inc.. All Rights Reserved.