• Home
  • Download PDF
  • Order CD-ROM
  • Order in Print
Figure 2. Cover and Clamp Removal
Figure 4. Hose Removal from Machine

Maintenance Manual For Hydraulic Excavator Type 1 With Hydraulic Thumb And Quick Latch -4 Page Navigation
  366    367    368    369    370  371  372    373    374    375    376  
img
.
TM 5-3805-294-23-4
0536
REMOVAL - Continued
22
23
13
3
HYEX02044
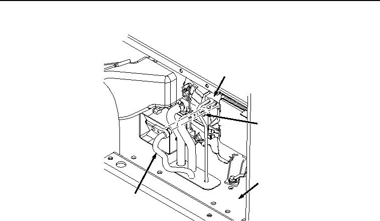
Figure 3. Hose from Evaporator Removal.
9.
Remove O-ring (Figure 3, Item 23) from hose (Figure 3, Item 3). Discard O-ring.
10.
Pull hose (Figure 3, Item 3) through floor (Figure 3, Item 13).
11.
Remove hose (Figure 4, Item 3) from machine (Figure 4, Item 24).
0536-4


Privacy Statement
Press Release
Contact

© Copyright Integrated Publishing, Inc.. All Rights Reserved.