• Home
  • Download PDF
  • Order CD-ROM
  • Order in Print
Figure 1. Hose Removal.
Figure 3. Hose from Evaporator Removal

Maintenance Manual For Hydraulic Excavator Type 1 With Hydraulic Thumb And Quick Latch -4 Page Navigation
  365    366    367    368    369  370  371    372    373    374    375  
img
.
TM 5-3805-294-23-4
0536
REMOVAL - Continued
16
19
22
15
14
3
21
20
12
13
18
17
10
HYEX02894
11
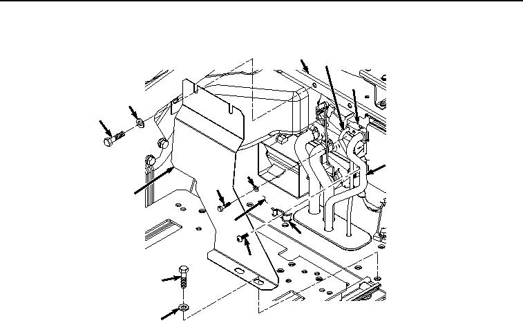
Figure 2.
Cover and Clamp Removal.
5.
Remove bolt (Figure 2, Item 14), washer (Figure 2, Item 15), and cover (Figure 2, Item 12) from bracket (Figure
2, Item 16) and floor (Figure 2, Item 13).
6.
Remove screw (Figure 2, Item 17) and clamp (Figure 2, Item 18) from hose (Figure 2, Item 3) and hose (Figure
2, Item 19).
7.
Remove bolt (Figure 2, Item 20) and washer (Figure 2, Item 21) from hose (Figure 2, Item 3) and evaporator
(Figure 2, Item 22).
8.
Remove hose (Figure 3, Item 3) and O-ring (Figure 3, Item 23) from evaporator (Figure 3, Item 22).
0536-3


Privacy Statement
Press Release
Contact

© Copyright Integrated Publishing, Inc.. All Rights Reserved.