• Home
  • Download PDF
  • Order CD-ROM
  • Order in Print
Figure 6. Hose to Evaporator Installation
Figure 8. Hose Installation.

Maintenance Manual For Hydraulic Excavator Type 1 With Hydraulic Thumb And Quick Latch -4 Page Navigation
  370    371    372    373    374  375  376    377    378    379    380  
img
.
TM 5-3805-294-23-4
0536
INSTALLATION - Continued
16
19
22
15
14
3
21
20
12
13
18
17
10
HYEX02894
11
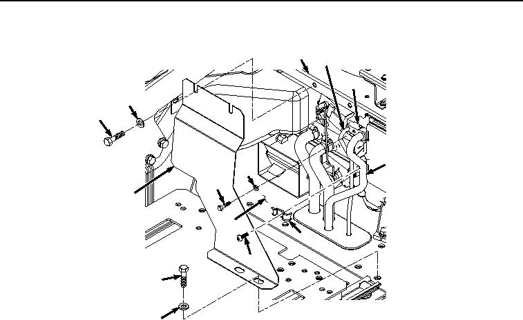
Figure 7. Cover and Clamp Installation.
6.
Install clamp (Figure 7, Item 18) to hose (Figure 7, Item 19) and hose (Figure 7, Item 3) with screw (Figure 7,
Item 17).
7.
Install cover (Figure 7, Item 12) to bracket (Figure 7, Item 16) and floor (Figure 7, Item 13) with bolt (Figure 7,
Item 14) and washer (Figure 7, Item 15).
8.
Install two bolts (Figure 7, Item 10) and washers (Figure 7, Item 11) to cover (Figure 7, Item 12) and floor
(Figure 7, Item 13).
9.
Install clamp (Figure 8, Item 8) to hose (Figure 8, Item 3) and bracket (Figure 8, Item 9) with bolt (Figure 8,
Item 6) and washer (Figure 8, Item 7).
0536-8


Privacy Statement
Press Release
Contact

© Copyright Integrated Publishing, Inc.. All Rights Reserved.