• Home
  • Download PDF
  • Order CD-ROM
  • Order in Print
Figure 27. Surge Tank Location.
COOLING SYSTEM

Maintenance Manual For Hydraulic Excavator Type 1 With Hydraulic Thumb And Quick Latch -1 Page Navigation
  42    43    44    45    46  47  48    49    50    51    52  
img
.
TM 5-3805-294-23-1
0003
COOLING SYSTEM - Continued
185
178
184
185
183
186
182
181
180
179
177
HYEX01705
187
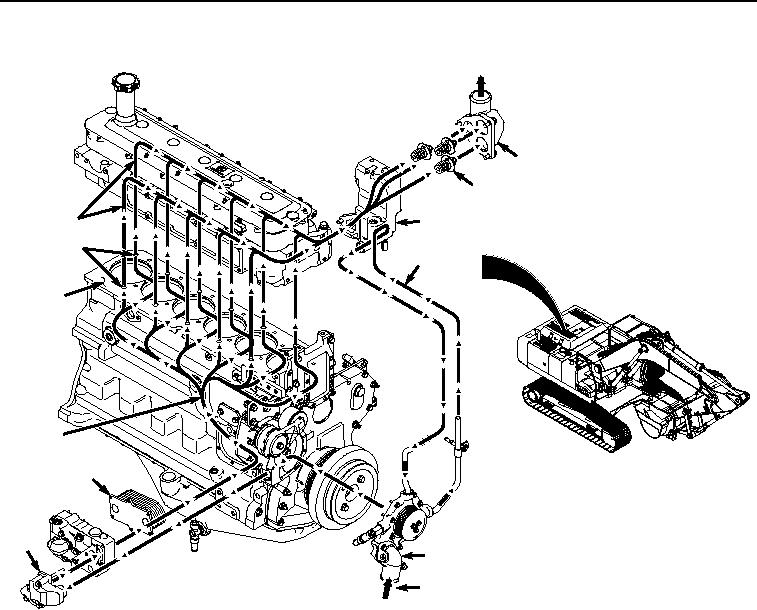
Figure 28.
Engine Cooling System.
During the warm-up period, thermostats (Figure 28, Item 178) are closed and coolant is directed through a bypass
circuit (Figure 28, Item 186) into the suction side of coolant pump. The coolant continues circulating through the
cylinder block, cylinder head, and coolant pump to provide a uniform and fast warm-up period.
Once the engine has reached operating temperature, the thermostats (Figure 28, Item 178) open and allow coolant
to flow through the upper radiator hose to the radiator top tank. Coolant circulates through the radiator, dissipates
heat, and then flows out of the radiator through the lower hose and in the suction side (Figure 28, Item 187) of the
coolant pump. Coolant continues flowing through the engine and radiator circuit until the coolant temperature drops
below the thermostat opening temperature.
Engine Oil Cooler
The engine oil cooler is located on the engine block. Coolant from the radiator passes through the engine oil cooler
to maintain a safe operating temperature.
0003-30


Privacy Statement
Press Release
Contact

© Copyright Integrated Publishing, Inc.. All Rights Reserved.