• Home
  • Download PDF
  • Order CD-ROM
  • Order in Print
Figure 25. Wiring Harness Routing and Removal
Figure 28. Install Wiring Harness and Clamp To Underside A/C Compressor Clutch

Maintenance Manual For Hydraulic Excavator Type 1 With Hydraulic Thumb And Quick Latch -4 Page Navigation
  233    234    235    236    237  238  239    240    241    242    243  
img
.
TM 5-3805-294-23-4
0516
INSTALLATION - Continued
8
8
8
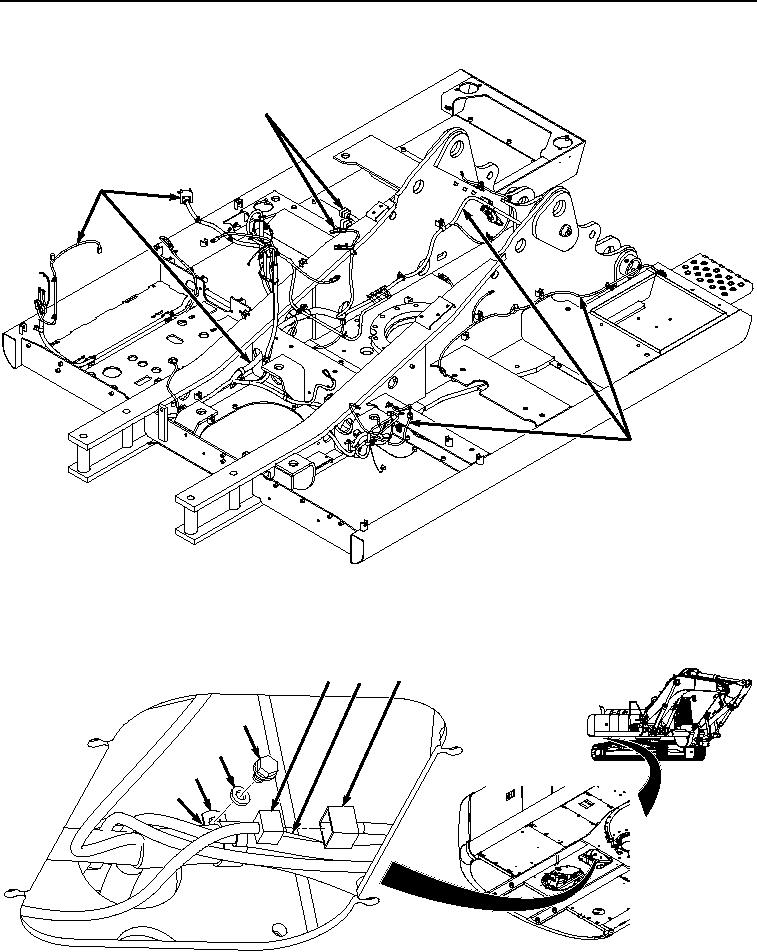
HYEX02506
Figure 26.
Wiring Harness Routing and Installation.
2.
Install clamp (Figure 27, Item 184) and wiring harness (Figure 27, Item 8) to frame (Figure 27, Item 14) with
washer (Figure 27, Item 183) and bolt (Figure 27, Item 182).
181
8
180
182
183
184
14
HYEX02505
Figure 27. Connect Wiring Harness To X46 and Clamp Installation.
0516-23


Privacy Statement
Press Release
Contact

© Copyright Integrated Publishing, Inc.. All Rights Reserved.