• Home
  • Download PDF
  • Order CD-ROM
  • Order in Print
Figure 9. Connect Solenoid Bracket.
Figure 12. Forward Radiator Top Cover Installation.

Maintenance Manual For Hydraulic Excavator Type 1 With Hydraulic Thumb And Quick Latch -4 Page Navigation
  832    833    834    835    836  837  838    839    840    841    842  
img
.
TM 5-3805-294-23-4
0607
INSTALLATION - Continued
8.
Install clamp (Figure 10, Item 21) and tank (Figure 10, Item 14) to hose (Figure 10, Item 22). Tighten clamp
(21).
9.
Slide bracket (Figure 11, Item 19) forward along bar (Figure 11, Item 20) and align bolt holes with holes in
cover (Figure 11, Item 10).
15
16
17
18
20
11
12
19
14
10
13
HYEX00701
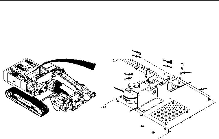
Figure 11.
Radiator Surge Tank Bracket Installation.
10.
Apply thread lock to threads of two bolts (Figure 11, Item 17).
11.
Attach bracket (Figure 11, Item 19) to cover (Figure 11, Item 10) with two bolts (Figure 11, Item 17) and washers
(Figure 11, Item 18).
12.
Apply thread lock to threads of four bolts (Figure 11, Item 15).
13.
Attach bracket (Figure 11, Item 13) to cover (Figure 11, Item 10) with four bolts (Figure 11, Item 15) and washers
(Figure 11, Item 16).
14.
Apply thread lock to threads of four bolts (Figure 11, Item 11).
15.
Install tank (Figure 11, Item 14) to bracket (Figure 11, Item 13) with four bolts (Figure 11, Item 11) and washers
(Figure 11, Item 12).
16.
Apply thread lock to threads of bolt (Figure 12, Item 8).
0607-9


Privacy Statement
Press Release
Contact

© Copyright Integrated Publishing, Inc.. All Rights Reserved.