• Home
  • Download PDF
  • Order CD-ROM
  • Order in Print
STARTER POSITIVE CABLE REPLACEMENT
REMOVAL - Continued

Maintenance Manual For Hydraulic Excavator Type 1 With Hydraulic Thumb And Quick Latch -4 Page Navigation
  310    311    312    313    314  315  316    317    318    319    320  
img
.
TM 5-3805-294-23-4
0527
REMOVAL - Continued
30
29
28
25
26
8
7
27
22
6
23
24
20 21
19
4
17
16
15
3
18
9
5
4
13
2
1
34
14
9
12
9
35
33
11
10
32
2
1
3
31
2
1
HYEX00565
5
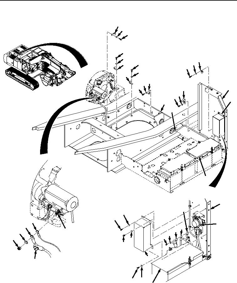
Figure 1.
Starter Positive Cable Removal.
2.
Position cover (Figure 1, Item 3) on battery cover (Figure 1, Item 5).
0527-2


Privacy Statement
Press Release
Contact

© Copyright Integrated Publishing, Inc.. All Rights Reserved.