• Home
  • Download PDF
  • Order CD-ROM
  • Order in Print
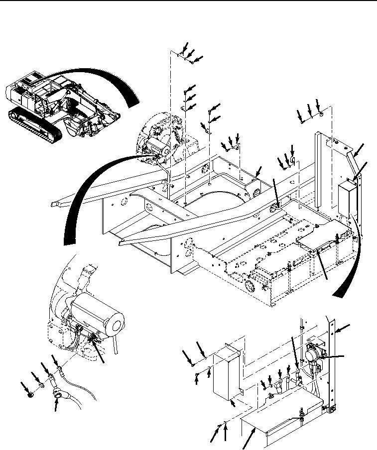
REMOVAL - Continued
INSTALLATION - Continued

Maintenance Manual For Hydraulic Excavator Type 1 With Hydraulic Thumb And Quick Latch -4 Page Navigation
  312    313    314    315    316  317  318    319    320    321    322  
img
.
TM 5-3805-294-23-4
0527
INSTALLATION - Continued
30
29
28
25
26
8
7
27
22
6
23
24
20 21
19
4
17
16
15
3
18
9
5
4
13
2
1
34
14
9
12
9
35
33
11
10
32
2
1
3
31
2
1
HYEX00565
5
Figure 2. Starter Positive Cable Installation.
0527-4


Privacy Statement
Press Release
Contact

© Copyright Integrated Publishing, Inc.. All Rights Reserved.